Skip to main content
Device Type:misc
Electrical Standard:global
Board:esp8266

teXXmo IoT Button

Device Information

Product Images

Product Image

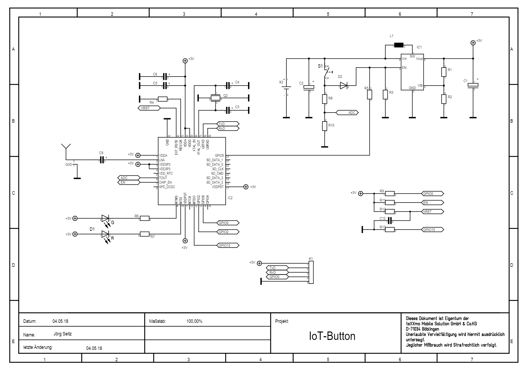
Schematic

Flashing Pinout

Pin Hole ShapePurpose
[ ]3V3 Input (do not connect if powering off of battery)
( )Txd
( )Rxd
( )GPIO0 (must pull to ground before flashing)
( )Gnd

Basic Configuration

substitutions:
name: iot_button_1
static_ip: <your ip address>
gateway: <your gateway>
subnet: <your subnet mask>

globals:
- id: message_sent
type: bool
restore_value: no
initial_value: "false"

esphome:
name: ${name}
on_boot:
# Raise the power pin very early (pri 700) to keep the ESP awake
# until we're done sending the event
priority: 700
then:
- output.turn_on: power_pin

esp8266:
board: esp8285

wifi:
ssid: !secret wifi_ssid
password: !secret wifi_password
fast_connect: true

manual_ip:
static_ip: ${static_ip}
gateway: ${gateway}
subnet: ${subnet}

# Enable fallback hotspot (captive portal) in case wifi connection fails
ap:
ssid: "ESPHome_Button_1"
password: !secret ap_fallback_password

captive_portal:

api:
encryption:
key: !secret api_encryption_key

ota:
password: !secret ha_api_password

script:
- id: send_event
then:
- logger.log: "Waiting for API connection"
- wait_until:
api.connected:

- logger.log: "Sending ESPHome event"
- delay: 0.5s
- homeassistant.event:
event: esphome.button_pressed
data:
device_id: ${name}
- globals.set:
id: message_sent
value: "true"
- delay: 0.5s

logger:

sensor:
- platform: adc
pin: A0
id: button_adc
internal: true
update_interval: 10s
on_value_range:
above: 0.5
then:
- script.execute: send_event
- wait_until:
lambda: return id(message_sent);

- logger.log: "Shutting down"
- output.turn_off: power_pin

# The D5 pin turns the vreg on & off. Setting to off will shut down the device.
output:
- platform: gpio
pin: GPIO5
id: power_pin

- platform: esp8266_pwm
pin: GPIO12
id: led_red_pin

- platform: esp8266_pwm
pin: GPIO14
id: led_green_pin